您當前的位置:首頁 > 產品中心 > 電磁制動器電磁制動器
詳細介紹:
斷電電磁剎車器,失電式電磁剎車器是現代工業中一種理想的自動化執行元件,在機械傳動系統中主要起傳遞動力和控制運動等作用。具有結構緊湊,操作簡單,響應靈敏,壽命長久,使用可靠,易于實現遠距離控制等優點。下面簡單介紹一下其結構及工作原理:
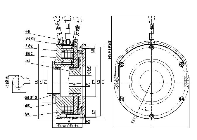
斷電電磁剎車器結構:磁軛體,勵磁線圈、彈簧、剎車盤、銜鐵、花鍵套、手動釋放裝置等組成。安裝于電機后端,調整安裝螺釘使氣隙到規定值;花鍵套固定于軸上,剎車盤在花鍵套上可軸向滑動,剎車時產生制動力矩。
斷電電磁剎車器工作原理:其構造是以盤管發條將剎車片壓住,利用其摩擦力來產生制動扭力。激磁盤管通電時,壓住剎車片的電樞會將盤管發條加以壓縮,而被勵磁鐵心吸引,剎車器就呈解放狀態。切斷激磁電流的話,盤管發條的發條壓力會使電樞壓住剎車片,剎車器就會作動。當剎車器的線圈通電時,線圈產生磁場,銜鐵被磁力吸向磁軛,銜鐵與剎車盤脫開,此時剎車盤被電機軸帶著正常轉動;當線圈斷電時,磁場消失,銜鐵被彈簧的作用力推向制動盤,產生摩擦扭矩而剎車。扳動“手動釋放裝置”或擰緊“螺釘釋放裝置”,也可使銜鐵釋放,方便設備的安裝和調節。
溫馨提示:經常在斷電電磁剎車器的可動部分添加潤滑劑。如果更換了磨損的剎車面,應重新適當調整刪詞面與轉盤之間的最小間隙。定期檢查可動部件的機械磨損情況,并清除電磁鐵零件表面的灰塵、花毛和污垢。東莞市臺靈機電有限公司集研發、生產、銷售、維修服務為一體的現代化高科技企業,十多年專注品質.產品咨詢熱線:1800-2922-997


















粵公網安備 44030902001347號